Trong hệ thống điện dân dụng và công nghiệp, tủ điện đóng vai trò trung tâm trong việc phân phối và kiểm soát nguồn điện. Để tủ điện vận hành an toàn, ổn định và đúng kỹ thuật, việc xây dựng và thi công theo sơ đồ đấu nối tủ điện là yêu cầu bắt buộc. Vậy sơ đồ đấu nối tủ điện là gì, bài viết dưới đây sẽ giúp bạn hiểu rõ khái niệm, vai trò cũng như cách đọc và triển khai sơ đồ đấu nối tủ điện chiếu sáng và tủ điện 3 pha.
Sơ đồ đấu nối tủ điện là gì?
Sơ đồ đấu nối tủ điện là bản vẽ kỹ thuật mô tả chi tiết cách kết nối các thiết bị điện bên trong tủ như aptomat, MCCB, MCB, contactor, rơ-le, đồng hồ đo, đèn báo và các tải sử dụng điện. Sơ đồ thể hiện rõ đường đi của dây dẫn, thứ tự đấu nối và mối liên kết giữa các thiết bị theo nguyên lý vận hành của hệ thống.
Khác với sơ đồ nguyên lý mang tính khái quát, sơ đồ đấu nối tủ điện tập trung vào cách đấu dây thực tế, giúp người thi công dễ dàng lắp đặt đúng kỹ thuật. Nhờ đó, hệ thống điện hoạt động ổn định, hạn chế tối đa các rủi ro như chập cháy, mất pha hoặc quá tải.

Xem thêm: Tủ sắt sơn tĩnh điện – Giải pháp bền đẹp, an toàn cho hệ thống điện
Vì sao cần sơ đồ đấu nối tủ điện chính xác?
Một sơ đồ đấu nối tủ điện chính xác mang lại nhiều lợi ích quan trọng cho cả quá trình thi công và vận hành:
- Đảm bảo an toàn điện: Đấu nối đúng sơ đồ giúp tránh nhầm lẫn dây pha, dây trung tính và dây tiếp địa, hạn chế nguy cơ tai nạn điện và cháy nổ.
- Thi công nhanh và đúng kỹ thuật: Sơ đồ giúp thợ điện lắp đặt thực tế dễ dàng, giảm sai sót trong quá trình lắp đặt.
- Thuận tiện bảo trì và sửa chữa: Khi xảy ra sự cố, việc có sẵn sơ đồ đấu nối giúp nhanh chóng xác định vị trí lỗi và xử lý kịp thời.
- Đáp ứng yêu cầu nghiệm thu: Nhiều công trình yêu cầu hồ sơ kỹ thuật đầy đủ, trong đó sơ đồ đấu nối tủ điện là tài liệu bắt buộc.
- Dễ dàng mở rộng hệ thống: Khi cần nâng cấp hoặc bổ sung tải, sơ đồ đấu nối giúp việc cải tạo diễn ra thuận lợi và an toàn.
Phân tích sơ đồ đấu nối tủ điện
Hiện nay, có 2 sơ đồ chính mà các kỹ sư điện cần quan tâm đó là sơ đồ đấu nối tủ điện chiếu sáng và đấu nối tủ điện 3 pha.

Sơ đồ đấu nối tủ điện chiếu sáng thường được sử dụng trong nhà ở, văn phòng, trường học, nhà xưởng và các công trình công cộng. Đặc điểm của loại sơ đồ này là cấu trúc tương đối đơn giản, chủ yếu phục vụ việc cấp điện cho hệ thống đèn chiếu sáng.
- Các thành phần chính trong sơ đồ bao gồm:
- Aptomat tổng (MCB hoặc MCCB)
- Các aptomat nhánh cho từng khu vực chiếu sáng
- Công tắc, timer hoặc contactor (nếu có)
- Đèn chiếu sáng và dây dẫn
Sơ đồ hoạt động theo nguyên lý, nguồn điện đưa vào aptomat tổng trước, sau đó phân phối qua các aptomat nhánh đến từng mạch đèn riêng biệt. Việc chia nhỏ mạch giúp dễ quản lý, đồng thời khi một nhánh gặp sự cố sẽ không ảnh hưởng đến toàn bộ hệ thống chiếu sáng.
Xem thêm: Tủ điện 2 lớp là gì? Cấu tạo, ưu điểm và báo giá mới nhất
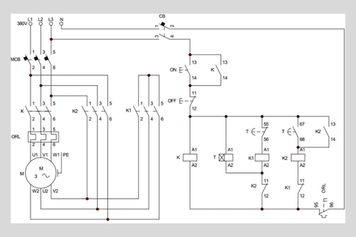
Sơ đồ đấu nối tủ điện 3 pha
Sơ đồ đấu nối tủ điện 3 pha được sử dụng phổ biến trong nhà xưởng, khu công nghiệp, trạm bơm, tòa nhà lớn và các hệ thống có tải công suất cao. So với tủ điện chiếu sáng, sơ đồ đấu nối tủ điện 3 pha có cấu trúc phức tạp hơn và yêu cầu độ chính xác cao.
Các thành phần thường có trong sơ đồ:
- MCCB hoặc aptomat tổng 3 pha
- Thanh cái phân phối 3 pha
- MCB hoặc contactor cho từng nhánh tải
- Rơ-le nhiệt, rơ-le bảo vệ (nếu có)
- Dây pha R – S – T, dây trung tính (N) và dây tiếp địa (PE)
Sơ đồ hoạt động theo nguyên tắc chia tải giữa các pha nhằm đảm bảo cân bằng điện áp và dòng điện, giúp hệ thống hoạt động ổn định và tiết kiệm điện năng.
Hướng dẫn đấu nối tủ điện
Hướng dẫn đấu nối tủ điện chiếu sáng
Khi thực hiện đấu nối tủ điện chiếu sáng, cần đấu nối đúng sơ đồ. Các bước cơ bản bao gồm:
- Đưa nguồn điện vào aptomat tổng của tủ điện.
- Từ aptomat tổng, phân phối điện qua các aptomat nhánh cho từng khu vực hoặc từng tầng.
- Đấu dây từ aptomat nhánh đến công tắc, timer hoặc contactor (nếu có).
- Từ công tắc, đấu dây đến các đèn chiếu sáng theo đúng sơ đồ.
- Bố trí dây trung tính và dây tiếp địa đầy đủ, đúng tiêu chuẩn an toàn.
- Kiểm tra lại toàn bộ mối nối, đo điện trở cách điện trước khi cấp điện.
Xem thêm: Lắp đặt tủ điện công nghiệp trọn gói và tối ưu chi phí
Sơ đồ đấu nối tủ điện 3 pha
Đấu nối tủ điện 3 pha đòi hỏi người thi công phải có kiến thức chuyên môn và tuân thủ nghiêm ngặt sơ đồ kỹ thuật. Các bước đấu nối bao gồm:
- Đấu nguồn 3 pha (R – S – T), dây trung tính và dây tiếp địa vào MCCB tổng.
- Từ MCCB, phân phối nguồn qua thanh cái hoặc các MCB nhánh.
- Đấu contactor, rơ-le nhiệt để bảo vệ động cơ hoặc tải công suất lớn.
- Kiểm tra thứ tự pha và đảm bảo cân bằng tải giữa các pha.
- Chạy thử hệ thống không tải, sau đó có tải để kiểm tra độ ổn định.

Xem thêm: Đặc thù vỏ tủ điện ngoài trời thiết kế chống nước, chống tia UV, chống oxi hóa
Lưu ý khi đấu nối hệ thống tủ điện
Trong quá trình thi công và vận hành tủ điện, cần đặc biệt lưu ý các điểm sau:
- Luôn đọc kỹ và hiểu rõ sơ đồ đấu nối trước khi thực hiện.
- Sử dụng dây dẫn đúng tiết diện, đúng màu theo quy định.
- Đảm bảo hệ thống tiếp địa đầy đủ để tăng mức độ an toàn.
- Không đấu nối khi hệ thống đang cấp điện.
- Kiểm tra, đo kiểm toàn bộ hệ thống trước khi đưa vào sử dụng chính thức.
- Tuân thủ các tiêu chuẩn và quy định an toàn điện hiện hành.
Sơ đồ đấu nối tủ điện là yếu tố then chốt quyết định đến sự an toàn và hiệu quả của toàn bộ hệ thống điện. Dù là sơ đồ đấu nối tủ điện chiếu sáng hay sơ đồ đấu nối tủ điện 3 pha, việc hiểu đúng và thi công đúng kỹ thuật sẽ giúp hạn chế rủi ro, tiết kiệm chi phí và đảm bảo vận hành ổn định lâu dài. Trên đây là toàn bộ thông tin tổng quan về 2 loại sơ đồ này, nếu có thắc mắc hoặc cần tư vấn về sơ đồ đấu nối, có thể liên hệ ngay cho Tân Quốc Hùng để được hỗ trợ nhanh chóng.

